HN24PA3
Czujnik optyczny odbiciowy z eliminacją wpłuwu tła firmy Wenglor, zakres=50...150 mm, światło czerwone, polaryzacja PNP NO + NC, zasilanie 10...30 V DC, 900 Hz, podłączenie konektor M12-4 pin, materiał korpusu tworzywo, potencjometr
Parametry produktu
Czas dostawy gdy brak na magazynie
3-4 tygodnie
Gwarancja
24
Producent
Wenglor
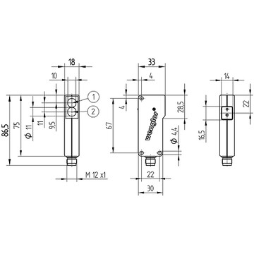
Opisy produktu
- Funkcja tłumienia tła
- Wysoka odporność na wodę i kurz dzięki szczelnej obudowie
- Światło czerwone
Czujniki te wykrywają odległość poprzez pomiar kątów. Są szczególnie dokładne w rozpoznawaniu obiektów na dowolnym tle. Kolor, kształt i cechy powierzchni obiektu praktycznie nie mają wpływu na wydajność przełączania czujnika.
| Parametry optyki | ||
|---|---|---|
| Zakres | 150 mm | |
| Zakres regulacji | 50...150 mm | |
| Histereza przełączania | < 5 % | |
| Rodzaj światła | Światło czerwone | |
| Żywotność (T = +25 °C) | 100000 h | |
| Max. natężenie światła otoczenia | 10000 Lux | |
| Średnica plamki świetlnej | zobacz tabele nr. 1 | |
| Dane elektryczne | ||
| Zasilanie | 10...30 V DC | |
| Konsumpcja (Ub = 24 V) | < 30 mA | |
| Częstotliwość przełączania | 900 Hz | |
| Czas odpowiedzi | 555 µs | |
| Dryft temperaturowy | < 5 % | |
| Zakres temperatury | -25...60 °C | |
| Spadek napięcia na wyjściu | < 2,5 V | |
| PNP max. prąd przełączania | 200 mA | |
| Zabezpieczenie przed zwarciem | tak | |
| Zabezpieczenie przed odwrotną polaryzacją | tak | |
| Ochrona przed przeciążeniem | tak | |
| Klasa ochrony | III | |
| Dane mechaniczne | ||
| Metoda konfiguracji | Potencjometr | |
| Materiał obudowy | Tworzywo | |
| Full Encapsulation | tak | |
| Stopień ochrony IP | IP67 | |
| Podłączenie | konektor M12-4 pin | |
| Wyjście | ||
| PNP NO + NC | tak | |




























