OHP551B0003
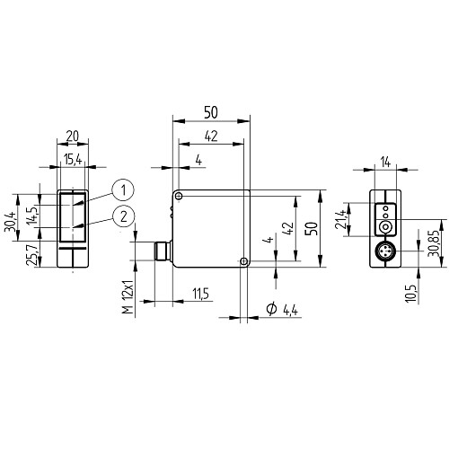
Czujnik odległości z wyjściem binarnym firmy Wenglor, zakres pomiarowy = 45...55 mm, wyjście PNP/NO , 10...30 V DC, konektor M12-4 pin, IP67
Parametry produktu
Czas dostawy gdy brak na magazynie
3-4 tygodnie
Gwarancja
24
Producent
Opisy produktu
- Najmniejsza rozpoznawalna różnica odległości: 100 µm
- Średnica plamki: 0,3 mm
Czujniki te wykrywają odległość poprzez pomiar kątów. Są szczególnie dokładne w rozpoznawaniu obiektów na dowolnym tle. Kolor, kształt i cechy powierzchni obiektu praktycznie nie mają wpływu na wydajność przełączania czujnika.
| Parametry optyki | ||
|---|---|---|
| Zakres | 55 mm | |
| Zakres regulacji | 45...55 mm | |
| Histereza przełączania | < 100 µm | |
| Rodzaj światła | Laser (czerwony) | |
| Długość fali | 660 nm | |
| Żywotność (T = +25 °C) | 100000 h | |
| klasa lasera (EN 60825-1) | 1 | |
| Max. natężenie światła otoczenia | 10000 Lux | |
| Średnica plamki świetlnej | < 0,3 mm | |
| Ogniskowa/Focus | 75 mm | |
| Dane elektryczne | ||
| Zasilanie | 10...30 V DC | |
| Konsumpcja (Ub = 24 V) | < 30 mA | |
| Częstotliwość przełączania | 800 Hz | |
| Czas odpowiedzi | 650 µs | |
| Dryft temperaturowy | < 5 µm/K | |
| Zakres temperatury | -25...60 °C | |
| Spadek napięcia na wyjściu | < 2,5 V | |
| PNP max. prąd przełączania | 200 mA | |
| PNP max. prąd przełączania | 50 mA | |
| Zabezpieczenie przed zwarciem | tak | |
| Zabezpieczenie przed odwrotną polaryzacją | tak | |
| Ochrona przed przeciążeniem | tak | |
| Klasa ochrony | III | |
| FDA | 1120738-000 | |
| Dane mechaniczne | ||
| Metoda konfiguracji | Potencjometr | |
| Materiał obudowy | Tworzywo | |
| Full Encapsulation | tak | |
| Stopień ochrony IP | IP67 | |
| Podłączenie | konektor M12-4 pin | |
| Wyjście | ||
| Wyjście komunikacyjne | tak | |
| PNP NO | tak | |






















