YH05PCT8
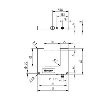
Czujnik optyczny szczelinowy firmy Wenglor, szerokość szczeliny = 50 mm, laser, wyjście PNP / NO lub NC, IP67, materiał korpusu tworzywo; stal niklowana, zasilanie 10...30 V DC, 10 kHz
Parametry produktu
Czas dostawy gdy brak na magazynie
3-4 tygodnie
Gwarancja
24
Producent
Wenglor
Opisy produktu
- Drobna wiązka światła (0,6 mm) na całej szerokości szczeliny
- Rozpoznawanie obiektów przeźroczystych
- Powtarzalność: 5 µm
- Teach-in
Nadajnik i odbiornik są zintegrowane w jednej obudowie jako bariera świetlna. Jeżeli aktywna wiązka światła między nadajnikiem a odbiornikiem zostanie przerwana, wyjście zostanie odpowiednio przełączone. Dzięki zastosowaniu widzialnego światła laserowego czujnik można bardzo łatwo ustawić w linii z obiektem. Zastosowanie cienkiej wiązki światła zapewnia plamkę o małej średnicy na całej szerokości widelca. Pozwala to na rozpoznanie bardzo małych części, otworów, szczelin i wycięć.
| Parametry optyki | ||
|---|---|---|
| Szerokość szczeliny | 50 mm | |
| Najmniejsza rozpoznawalna część | 40 µm | |
| Najmniejsza wykrywalny luka | 50 µm | |
| Histereza przełączania | < 20 µm | |
| Rodzaj światła | Laser (czerwony) | |
| Długość fali | 655 nm | |
| Żywotność (T = +25 °C) | 100000 h | |
| klasa lasera (EN 60825-1) | 2 | |
| Max. natężenie światła otoczenia | 10000 Lux | |
| Średnica plamki świetlnej | 0,6 mm | |
| Powtarzalność | < 5 µm | |
| Dane elektryczne | ||
| Zasilanie | 10...30 V DC | |
| Konsumpcja (Ub = 24 V) | < 50 mA | |
| Częstotliwość przełączania | 10 kHz | |
| Czas odpowiedzi | 50 µs | |
| Opóźnienie wyłączenia | 0...100 ms | |
| Zakres temperatury | -25...60 °C | |
| Spadek napięcia na wyjściu | < 1,5 V | |
| PNP max. prąd przełączania | 200 mA | |
| Rezystancja wyjściowa | 5100 Ohm | |
| Zabezpieczenie przed zwarciem | tak | |
| Zabezpieczenie przed odwrotną polaryzacją | tak | |
| Ochrona przed przeciążeniem | tak | |
| Tryb uczenia | NT, MT | |
| Klasa ochrony | III | |
| Dane mechaniczne | ||
| Metoda konfiguracji | Teach-In | |
| Materiał obudowy | Tworzywo; stal niklowana | |
| Full Encapsulation | tak | |
| Stopień ochrony IP | IP67 | |
| Podłączenie | konektor M8-3 pin | |
| Dane istotne dla bezpieczeństwa | ||
| MTTFd (EN ISO 13849-1) | 1436,4 a | |
| Wyjście | ||
| PNP NO lub NC | tak | |





























