UC6000-30GM-E6R2-V15 - 102163
Czujnik ultradźwiękowy Pepperl+Fuchs, typ odbiciowy, średnica M30, sn=350-6000 mm, 2 x PNP/ NO lub NC, zasilanie 10-30 VDC, konektor M12, odpowiedź = 1Hz, IP65, L=142 mm, synchronizacja, wybór szerokości wiązki, kompencacja temperatury
Parametry produktu
Czas dostawy gdy brak na magazynie
1 tydzień gdy dostępny w PF Niemcy
Wersja
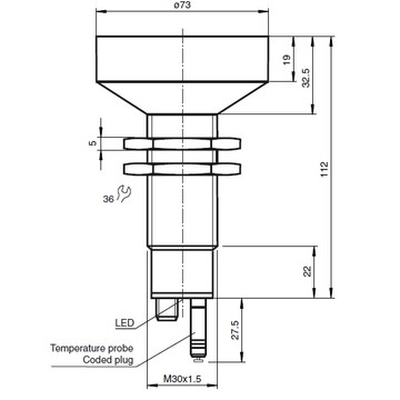
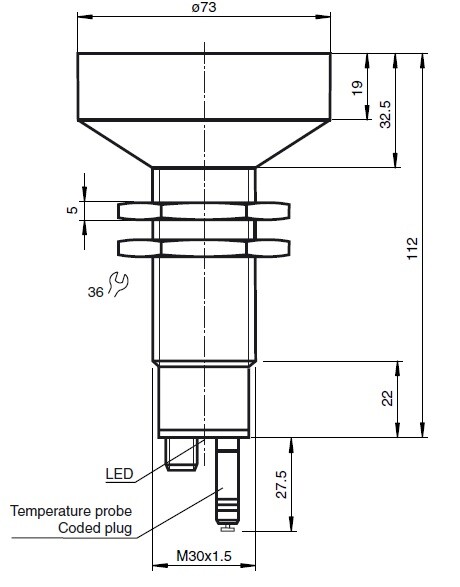
Wymiary/ Średnica
Podłączenie elektryczne
Stopień ochrony
Gwarancja
12
Producent
PEPPERL+FUCHS
Cechy szczególne
Zasilanie
Funkcja wyjścia
Strefa działania
Obudowa
Opisy produktu
Najważniejsze parametry Ultrasonic sensor UC6000-30GM-E6R2-V15
- Interfejs parametryzacji do specyficznej dla aplikacji regulacji ustawienia czujnika za pomocą programu serwisowego ULTRA 3000
- 2 programowalne wyjścia przełączające
- Możliwość wyboru trybu histerezy
- Tryb okna do wyboru
- Opcje synchronizacji
- Regulowana moc akustyczna i czułość
- Kompensacja temperatury
| Opis produktu |
|---|
| System pojedynczej głowicy |
| Ogólne specyfikacje | ||
|---|---|---|
| Zasięg wykrywania | 350 ... 6000 mm | |
| Zakres regulacji | 400 ... 6000 mm | |
| Martwe pasmo | 0 ... 350 mm | |
| Standardowa tarcza celownicza | 100 mm x 100 mm | |
| Częstotliwość przetwornika | około 65 kHz | |
| Opóźnienie odpowiedzi | 285 ms minimum 850 ms ustawienie fabryczne |
|
| Wskaźniki / środki operacyjne | ||
| LED zielony | stałe: Power-on flashowanie: Wykryto obiekt funkcji trybu lub programu |
|
| LED żółty 1 | stałe: przełącznik stanu przełączania wyjście 1 miganie: funkcja programu |
|
| LED żółty 2 | stałe: przełącznik stanu przełączania wyjście 2 miganie: funkcja programu |
|
| Czerwona dioda LED | stałe: temperatura / wtyczka programu nie podłączona miga: błąd lub obiekt funkcji programu nie został wykryty |
|
| Złącze temperatury / TEACH-IN | Kompensacja temperatury, programowanie punktów przełączania, ustawienie funkcji wyjścia | |
| Specyfikacje elektryczne | ||
| Napięcie robocze | 10 ... 30 V DC, tętnienie 10% SS | |
| Prąd zasilania bez obciążenia | ≤ 50 mA | |
| Interfejs | ||
| Typ interfejsu | RS 232, 9600 Bit / s, bez parzystości, 8 bitów danych, 1 bit stopu | |
| Wejście wyjście | ||
| Synchronizacja | dwukierunkowy poziom 0 -U B ... + 1 V poziom 1: +4 V ... + U B wejście impedancja: > 12 KOhm impuls synchronizacji: ? 100 µs, okres interpolacji synchronizacji: ? 2 ms |
|
| Częstotliwość synchronizacji | ||
| Działanie w trybie wspólnym | max. 7 Hz | |
| Operacja multipleksowania | ≤ 7 Hz / n , n = ilość czujników , n ≤ 5 , | |
| Wyjście | ||
| Typ wyjścia | 2 wyjścia przełączające PNP, NO / NC, programowalne | |
| Znamionowy prąd roboczy | 200 mA, zabezpieczenie przed zwarciem / przeciążeniem | |
| Spadek napięcia | ≤ 2,5 V. | |
| Powtórz dokładność | ≤ 0,1% pełnej skali | |
| Częstotliwość przełączania | ≤ 0,5 Hz | |
| Histereza zakresu | 1% skorygowanego zakresu roboczego (ustawienia domyślne), programowalne | |
| Wpływ temperatury | ≤ 2% wartości pełnej skali (z kompensacją temperatury) ≤ 0,2% / K (bez kompensacji temperatury) |
|
| Zgodność ze standardami i dyrektywami | ||
| Standardowa zgodność | ||
| Standardy | EN IEC 60947-5-2:2020, IEC 60947-5-2:2019 | |
| Aprobaty i certyfikaty | ||
| Aprobata UL | Lista cULus, cel ogólny | |
| Zatwierdzenie CCC | Zatwierdzenie / oznakowanie CCC nie jest wymagane dla produktów o napięciu ≤36 V. | |
| Warunki otoczenia | ||
| Temperatura otoczenia | -25 ... 70 ° C (-13 ... 158 ° F) | |
| Temperatura przechowywania | -40 ... 85 ° C (-40 ... 185 ° F) | |
| Specyfikacja mechaniczna | ||
| Rodzaj połączenia | Wtyczka M12 x 1, 5 pinów | |
| Średnica obudowy | 73 mm | |
| Stopień ochrony | IP65 | |
| Materiał | ||
| Obudowa | stal nierdzewna (1.4305 / AISI 303) Części z tworzywa PBT |
|
| Przetwornik | mieszanka żywicy epoksydowej / pustej szyby; pianka poliuretanowa | |
| Masa | 270 g | |
| Ustawienia fabryczne | ||
| Wyjście 1 | Switching point: 800 mm output function: Switch point operation mode output behavior: NO contact |
|
| Wyjście 2 | Switching point: 6000 mm output function: Switch point operation mode output behavior: NO contact |
|
| System | Classcode |
|---|---|
| ECLASS 13.0 | 27272803 |
| ECLASS 12.0 | 27272803 |
| ECLASS 11.0 | 27272803 |
| ECLASS 10.0.1 | 27272803 |
| ECLASS 9.0 | 27272803 |
| ECLASS 8.0 | 27272803 |
| ECLASS 5.1 | 27272803 |
| ETIM 9.0 | EC001849 |
| ETIM 8.0 | EC001849 |
| ETIM 7.0 | EC001849 |
| ETIM 6.0 | EC001849 |
| ETIM 5.0 | EC001849 |
| UNSPSC 12.1 | 41111960 |




























