M11.6.R.MD7.M3.4.0 - 31231513
Manometr kontrolny WIKA 312.20.160-R/0...1,6MPa/M20x1,5/Kl.0,6
Parametry produktu
Opisy produktu
Manometr kontrolny mechaniczny model 312.20 o symbolu 31231513 – precyzyjne narzędzie do pomiaru ciśnienia
Manometr kontrolny mechaniczny model 312.20 został zaprojektowany z myślą o zapewnieniu wysokiej dokładności pomiarów ciśnienia, co czyni go idealnym narzędziem do testowania manometrów przemysłowych oraz przeprowadzania precyzyjnych pomiarów w laboratoriach. Jego zastosowanie obejmuje m.in. pomiary wzorcowe oraz testowe ciśnienia cieczy i gazów, które są chemicznie obojętne na stopy miedzi i nie powodują zatorów w układach ciśnieniowych.
Informujemy, że model manometru 311.10 został zastąpiony nowym modelem 312.20, który jest jego bezpośrednim następcą. Model 312.20 zachowuje pełną funkcjonalność modelu 311.10, jednocześnie oferując dodatkowe udogodnienie w postaci śruby blokującej mechanizm, stanowiącej zabezpieczenie podczas transportu.
Zawór w cenie!
Dodatkowe wyposażenie do manometru kontrolnego – zawór iglicowy – to doskonałe rozwiązanie, które zapewnia jeszcze większe bezpieczeństwo urządzenia pomiarowego. Tylko u nas znajdziesz ten niezastąpiony element, który chroni Twój manometr przed uszkodzeniem w komplecie. Zawór iglicowy umożliwia delikatne i kontrolowane dopuszczenie ciśnienia do systemu pomiarowego, skutecznie ograniczając ryzyko przeciążeń związanych z pierwszym uderzeniem ciśnienia. Dzięki temu Twój manometr kontrolny będzie działał niezawodnie przez długi czas, a Ty zyskasz pewność, że wyniki pomiarów będą zawsze dokładne.
Zastosowania manometru kontrolnego model 312.20
Manometr 312.20 jest szczególnie przydatny w następujących zastosowaniach:
- Pomiarach wzorcowych ciśnienia,
- Wzorcowaniu urządzeń ciśnieniowych,
- Przeprowadzaniu prób szczelności.
Model 312.20 charakteryzuje się bardzo wysoką dokładnością (klasa dokładności 0,6), dzięki czemu jest doskonałym wyborem do prób gazowych i wodnych na szczelność instalacji. W zestawie znajduje się również certyfikat jednostki PCA. Świadectwo wzorcowania w zakresie akredytacji PCA potwierdza jakość i precyzję pomiarów.
Optymalna czytelność
Manometr kontrolny został zaprojektowany z myślą o łatwości użytkowania. Tarcza o nominalnym rozmiarze 160 mm zapewnia optymalną czytelność wskazań, co ułatwia szybką i precyzyjną ocenę pomiaru. Dzięki temu, urządzenie jest wygodne zarówno w codziennej eksploatacji, jak i w wymagających zastosowaniach laboratoryjnych.
Próby ciśnieniowe i kontrola szczelności
Próba szczelności jest niezbędnym elementem w utrzymaniu bezpieczeństwa instalacji gazowych oraz wodociągowych. Manometr kontrolny 312.20 jest często wykorzystywany w procesach takich jak:
- Główna próba szczelności instalacji gazowej – Czynność ta jest wymagana przez prawo i ma na celu wykrycie nieszczelności w instalacji gazowej, co jest kluczowe dla bezpieczeństwa użytkowników.
- Kontrola okresowa instalacji gazowej – Zgodnie z przepisami prawa budowlanego, okresowa kontrola szczelności instalacji gazowej jest obowiązkowa, a manometr 312.20 jest niezastąpiony w tej roli.
- Próba ciśnieniowa instalacji wodnej – To metoda stosowana do badania szczelności przewodów instalacji wodociągowej, szczególnie po zakończeniu prac montażowych lub w przypadku wykrycia wycieku. Dzięki próbie ciśnieniowej można szybko zlokalizować ewentualne nieszczelności lub potwierdzić szczelność nowej instalacji.
- Próba ciśnieniowa zbiorników
Manometr precyzyjny 312.20 znajduje także zastosowanie w badaniu szczelności zbiorników ciśnieniowych, szczególnie w przypadku skomplikowanych konstrukcji inżynierskich, takich jak wysokociśnieniowe rurociągi czy zbiorniki, które mają być wkrótce uruchomione. Dzięki przeprowadzeniu odpowiednich prób ciśnieniowych, można mieć pewność, że urządzenie będzie działać prawidłowo w warunkach podwyższonego ciśnienia, a także zagwarantować jego wytrzymałość i bezpieczeństwo użytkowania.
Podsumowanie
Manometr kontrolny model 312.20 to precyzyjne narzędzie, które zapewnia wysoką dokładność pomiarów ciśnienia, a jego wszechstronne zastosowanie w testach szczelności i wzorcowaniu urządzeń ciśnieniowych sprawia, że jest niezastąpione w wielu branżach. Dzięki certyfikatowi jednostki GUM, optymalnej czytelności oraz wysokiej niezawodności, stanowi doskonały wybór dla specjalistów zajmujących się pomiarami ciśnienia w przemyśle oraz laboratoriach.
- Manometry kontrolne Model 312.20
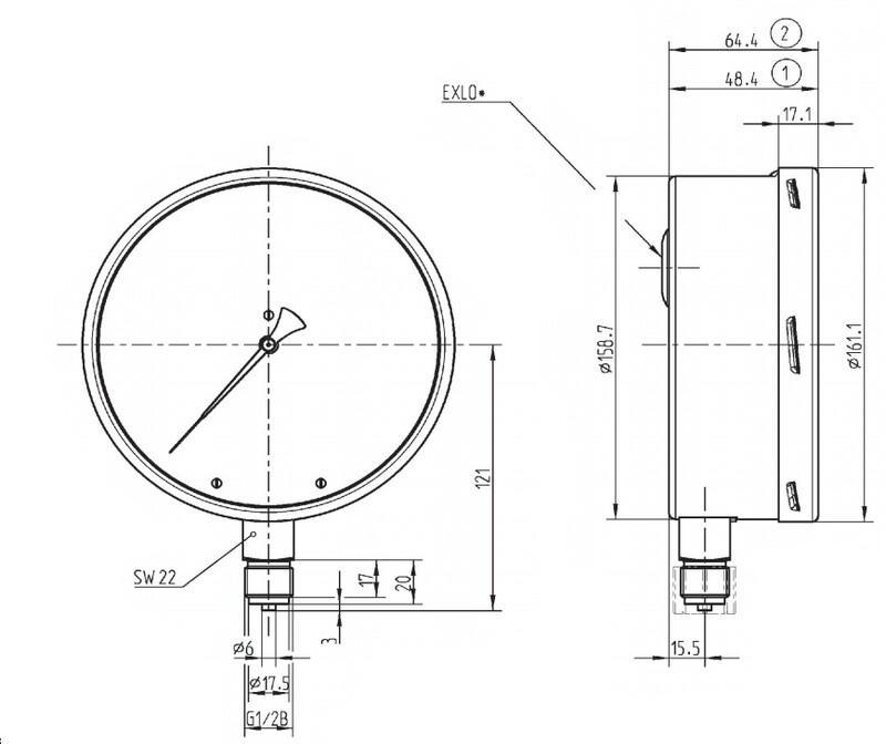
- Średnica obudowy: 160 mm
- Położenie króćca: radialny dolny
- Oprawa: stal nierdzewna
- Pokrywa: pokrywa ze stali nierdzewnej
- Mechanizm: mosiądz
- Szyba: szkło
- Stopień ochrony obudowy: IP 54
- Jednostka pomiaru: MPa
- Norma: PN-EN 837-1:2000
- Jednostka pomiaru: MPa
- Zakres wskazań: 0 MPa...16 MPa
- Przyłącze procesowe: M20 x 1,5
- Klasa: 0,6
Pliki do pobrania
Wyposażenie dodatkowe
M11.WALIZKA
- Kod produktu: M11.WALIZKA
- Producent: Inny
- Kategoria: Akcesoria do manometrów
211,12 zł
259,68 zł z podatkiem VAT
R06 - 5334513
Z112 - 1841
- Kod produktu: Z112
- Indeks producenta: 1841
- Producent: WIKA
- Kategoria: Akcesoria do manometrów
2,42 zł
2,97 zł z podatkiem VAT




















