FFAP149
Czujnik ciśnienia firmy Wenglor, zakres pomiarowy = 0...10 bar, błąd pomiarowy = < ± 0,5 %, temp. medium = -25...80 °C, przyłącze procesowe = G 1/8", konektor M12-5 pin, wyjście analogowe / przekaźnik NO lub NC
Parametry produktu
Czas dostawy gdy brak na magazynie
3-4 tygodnie
Gwarancja
24
Producent
Opisy produktu
- Dobrze widoczny wskaźnik produktu
- Prosta obsługa za pomocą wyświetlacza
Czujniki ciśnienia UniBar mierzą ciśnienie względne w zamkniętych systemach dowolnego medium w zakresie -1...600 bar. Czujniki ciśnienia UniBar są bardzo łatwe w użyciu dzięki zintegrowanemu wyświetlaczowi. Wysoce widoczny wskaźnik stanu przełączania umożliwia szybką lokalizację uszkodzonych czujników do celów konserwacji.
| Dane specyficzne dla czujnika | ||
|---|---|---|
| Zakres pomiarowy | 0...10 bar | |
| Typ pomiaru | pośredni | |
| Maksymalne ciśnienie przeciążenia | 20 bar | |
| Ciśnienie rozrywające | 40 bar | |
| Zakres regulacji | 4...100 % | |
| Media | Ciecze, gazy | |
| Histereza przełączania | 2 % | |
| Błąd pomiaru | < ± 0,5 % | |
| Dryft temperaturowy | 0,025 %/K | |
| Warunki środowiskowe | ||
| Temperatura medium | -25...80 °C | |
| Temperatura otoczenia | -25...80 °C | |
| EMC | DIN EN 61326-2-3 | |
| Odporność na wstrząsy według DIN IEC 68-2-27 | 30 g / 11 ms | |
| Odporność na wibrację według DIN IEC 60068-2-6 | 20 g (10...2000 Hz) | |
| Dane elektryczne | ||
| Zasilanie | 16...32 V DC | |
| Konsumpcja (Ub = 24 V) | < 60 mA | |
| Ilość wyjść | 1 | |
| Czas odpowiedzi | 30 ms | |
| Przekaźnik/max. prąd przełączania (24 VDC) | < 1 A | |
| Wyjście analogowe | 0...10 V Ciśnienie | |
| Rozdzielczość | 10 bit | |
| Obciążenie wyjścia napięciowego | < 20 mA | |
| Zabezpieczenie przed zwarciem | tak | |
| Zabezpieczenie przed odwrotną polaryzacją | tak | |
| Klasa ochrony | III | |
| Dane mechaniczne | ||
| Metoda konfiguracji | Menu | |
| Materiał obudowy | PBT; PC; FKM | |
| Materiał panelu | Poliester | |
| Materiał części mających kontakt z mediami | 1.4435; 1.4404 | |
| Stopień ochrony IP | IP65 * | |
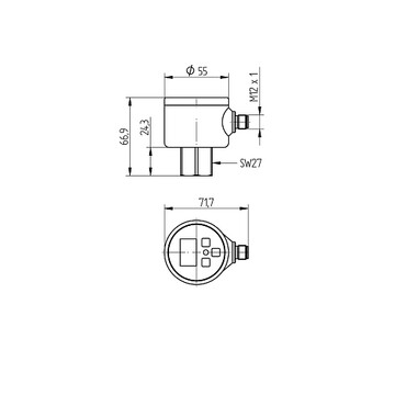
| Podłączenie | konektor M12-5 pin | |
| Przyłącze procesowe | G 1/8" | |
| Dane istotne dla bezpieczeństwa | ||
| MTTFd (EN ISO 13849-1) | 769,77 a | |
| Wyjście | ||
| Wyjście analogowe | tak | |
| Wartość końcowa, wyjście analogowe: skalowalne 2: 1 | tak | |
| Przekaźnik NO lub NC | tak | |
* Testowany przez Wenglor




















