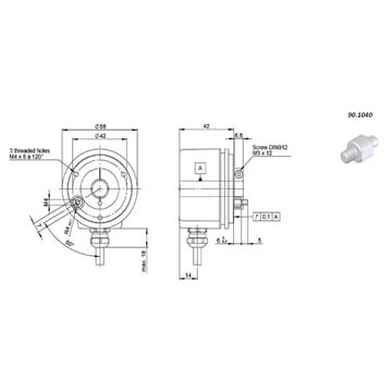
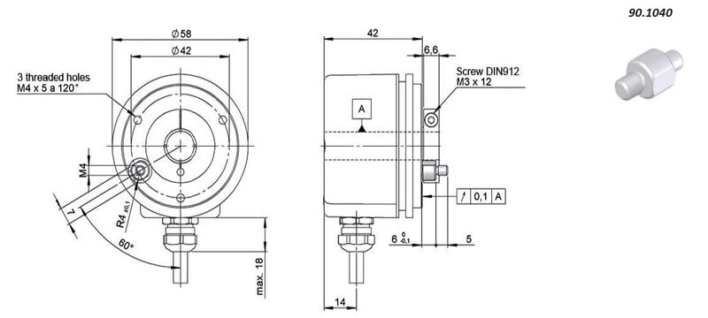
90.1045
Śruba/wałek atyrotacyjny przeznaczony do enkoderów seria 66
Parametry produktu
Czas dostawy gdy brak na magazynie
2 tygodnie
Gwarancja
12
Producent



























