OPT1545
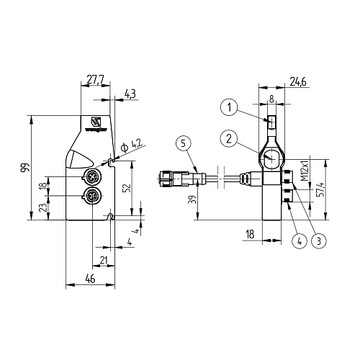
Czujnik optyczny do kontroli przenośników rolkowych frimy Wenglor, strefa działania = 900 mm, histereza = < 5 %, wyjście PNP / NO lub NC, zasilanie 12...30 V DC, konektor M12-4 pin, IP67
Parametry produktu
Czas dostawy gdy brak na magazynie
3-4 tygodnie
Gwarancja
24
Producent
Wenglor
Opisy produktu
- Energy-saving
- Zwiększona pojemność
- Zoptymalizowana wydajność
- Oszczędzające czas pierwsze uruchomienie z systemem szybkiego montażu i szybkim okablowaniem
- Ustawienia bezprzewodowe przez NFC
Czujniki te zostały specjalnie zaprojektowane do stosowania w przenośnikach rolkowych akumulacyjnych. Ich zwarta konstrukcja pozwala na montaż między rolkami poniżej poziomu transportu. Precyzyjne tłumienie tła umożliwia niezawodne wykrywanie nawet czarnych obiektów z odległości do 900 mm. Ustawienia wprowadza się za pomocą bezprzewodowej NFC, co jest nawet możliwe w stanie bez zasilania. Dzięki innowacyjnemu systemowi szybkiego montażu i szybkiemu okablowaniu czujniki są instalowane i gotowe do użycia w mgnieniu oka.
| Parametry optyki | ||
|---|---|---|
| Zakres | 900 mm | |
| Histereza przełączania | < 5 % | |
| Rodzaj światła | Światło podczerwone | |
| Długość fali | 860 nm | |
| Żywotność (T = +25 °C) | 100000 h | |
| Grupa ryzyka (EN 62471) | 1 | |
| Max. natężenie światła otoczenia | 90000 Lux | |
| Kąt otwarcia | 3 ° | |
| Dane elektryczne | ||
| Zasilanie | 12...30 V DC | |
| Konsumpcja czujnika (Ub = 24 V) | < 16 mA | |
| Częstotliwość przełączania | 100 Hz | |
| Czas odpowiedzi | 5 ms | |
| Dryft temperaturowy | < 5 % | |
| Zakres temperatury | -40...60 °C | |
| Ilość wyjść | 2 | |
| Spadek napięcia na wyjściu | < 0,9 V | |
| PNP max. prąd przełączania | 200 mA | |
| Zabezpieczenie przed zwarciem | tak | |
| Zabezpieczenie przed odwrotną polaryzacją | tak | |
| Ochrona przed przeciążeniem | tak | |
| Logika | tak | |
| Pojedyncze rozładowanie | tak | |
| Block Forwarding | tak | |
| Wyjściowy zawór magnetyczny / silnik | tak | |
| Automatyczne wyłączanie rolek | tak | |
| Klasa ochrony | III | |
| Dane mechaniczne | ||
| Metoda konfiguracji | NFC | |
| Materiał obudowy | Tworzywo | |
| Stopień ochrony IP | IP67 | |
| Podłączenie | konektor M12-4 pin | |
| Długość przewodu | 200 cm | |
| Wyjście | ||
| PNP NO lub NC | tak | |
| NFC odbiornik kategorii 3 | tak | |





























