LW86NCT3
Czujnik optyczny refleksyjny firmy Wenglor, zakres=6000 mm, światło czerwone, polaryzacja NPN NO lub NC, zasilanie 10...30 V DC, 2 kHz, IP67, podłączenie konektor M12-4 pin, materiał korpusu stal nierdzewna
Parametry produktu
Czas dostawy gdy brak na magazynie
3-4 tygodnie
Gwarancja
24
Producent
Wenglor
Opisy produktu
- Obudowa ze stali nierdzewnej
- Teach-in, zewnętrzny teach-in
W połączeniu z tymi czujnikami należy zastosować odbłyśnik. Mogą być instalowane we wszelkiego rodzaju środowiskach przemysłowych dzięki dużej rezerwie funkcjonalnej. Nawet obiekty odbijające światło można niezawodnie rozpoznać dzięki zastosowaniu światła spolaryzowanego.
| Parametry optyki | ||
|---|---|---|
| Zakres | 6000 mm | |
| Referencyjny reflektor / folia odblaskowa | RQ100BA | |
| Histereza przełączania | < 5 % | |
| Rodzaj światła | Światło czerwone | |
| Filtr polaryzacyjny | tak | |
| Żywotność (T = +25 °C) | 100000 h | |
| Max. natężenie światła otoczenia | 10000 Lux | |
| Kąt otwarcia | 5 ° | |
| Optyka z dwoma soczewkami | tak | |
| Dane elektryczne | ||
| Zasilanie | 10...30 V DC | |
| Konsumpcja (Ub = 24 V) | < 40 mA | |
| Częstotliwość przełączania | 2 kHz | |
| Czas odpowiedzi | 250 µs | |
| Opóźnienie załączenia/ wyłączenia (RS-232) | 0...5 s | |
| Dryft temperaturowy | < 5 % | |
| Zakres temperatury | -25...60 °C | |
| Spadek napięcia na wyjściu | < 2,5 V | |
| NPN | 100 mA | |
| Prąd różnicowy | < 50 µA | |
| Zabezpieczenie przed zwarciem | tak | |
| Zabezpieczenie przed odwrotną polaryzacją | tak | |
| Ochrona przed przeciążeniem | tak | |
| Zamykanie | tak | |
| Tryb uczenia | NT, MT | |
| Klasa ochrony | III | |
| Dane mechaniczne | ||
| Metoda konfiguracji | Teach-In | |
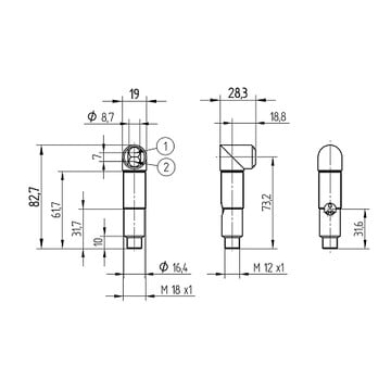
| Materiał obudowy | stal nierdzewna | |
| Full Encapsulation | tak | |
| Stopień ochrony IP | IP67 | |
| Podłączenie | konektor M12-4 pin | |
| Wyjście | ||
| NPN NO/NC ustawialny | tak | |
| Interfejs RS-232 z Adapterbox | tak | |





























