US87PCV
Wzmacniacz do światłowodów firmy Wenglor, światło Światło podczerwone, polaryzacja PNP/ NO lub NC , przewód 2 m , IP65 , konfiguracja potencjometr
Parametry produktu
Producent
Czas dostawy gdy brak na magazynie
3-4 tygodnie
Opisy produktu
- Do światłowodów: tryb odbiciowy i tryb bariery
- Duży zakres pomiarowy
Czujniki te są wyposażone do użytku z światłowodami, ale mogą być używane z jednym lub bez niego. Nadajnik i odbiornik znajdują się w jednej obudowie. Czujnik ocenia odbite światło odbite od obiektu, a sygnał wyjściowy jest przełączany, gdy tylko obiekt przekroczy wybrany zakres. Jasne obiekty odbijają więcej światła niż ciemne, dzięki czemu można je rozpoznać z większej odległości.
| Parametry optyki | ||
|---|---|---|
| Zakres | 3000 mm | |
| Histereza przełączania | < 15 % | |
| Rodzaj światła | Światło podczerwone | |
| Żywotność (T = +25 °C) | 100000 h | |
| Max. natężenie światła otoczenia | 10000 Lux | |
| Kąt otwarcia | 12 ° | |
| Dane elektryczne | ||
| Zasilanie | 10...30 V DC | |
| Konsumpcja (Ub = 24 V) | < 40 mA | |
| Częstotliwość przełączania | 100 Hz | |
| Czas odpowiedzi | 5 ms | |
| Dryft temperaturowy | < 10 % | |
| Zakres temperatury | -10...60 °C | |
| Spadek napięcia na wyjściu | < 2,5 V | |
| PNP max. prąd przełączania | 200 mA | |
| Prąd różnicowy | < 50 µA | |
| PNP max. prąd przełączania | 50 mA | |
| Zabezpieczenie przed zwarciem | tak | |
| Zabezpieczenie przed odwrotną polaryzacją | tak | |
| Ochrona przed przeciążeniem | tak | |
| Klasa ochrony | III | |
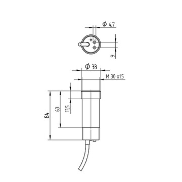
| Dane mechaniczne | ||
| Metoda konfiguracji | Potencjometr | |
| Materiał obudowy | mosiądz niklowany | |
| Full Encapsulation | tak | |
| Stopień ochrony IP | IP65 | |
| Podłączenie | przewód 2 m, 4-żyłowy | |
| Wyjście | ||
| Wyjście komunikacyjne | tak | |
| PNP NO lub NC | tak | |





























