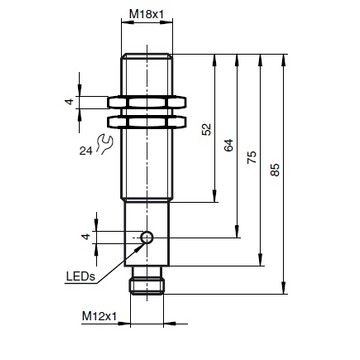
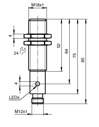
UB500-18GM75-F-V15
Czujnik ultradźwiękowy Pepperl+Fuchs, typ odbiciowy, średnica M18, sn=30-500 mm, wyjście częstotliwościowe, zasilanie 10-30 VDC, konektor M12, odpowiedź = 10Hz, IP67, L=85 mm, synchronizacja, wybór szerokości wiązki
Parametry produktu
Czas dostawy gdy brak na magazynie
1-2 tygodnie
Wersja
Wymiary/ Średnica
Podłączenie elektryczne
Stopień ochrony
Gwarancja
24
Producent
PEPPERL+FUCHS
Cechy szczególne
Zasilanie
Funkcja wyjścia
Strefa działania
Obudowa



























