UB6000-F42-I-V15 - 70165295-100022
Czujnik ultradźwiękowy Pepperl+Fuchs, typ odbiciowy, kostka 80x80x50 mm, sn=350-6000 mm, 4-20 mA, zasilanie 10-30 VDC, konektor M12, odpowiedź = 1Hz, IP54, synchronizacja
Parametry produktu
Czas dostawy gdy brak na magazynie
1 tydzień gdy dostępny w PF Niemcy
Wersja
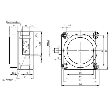
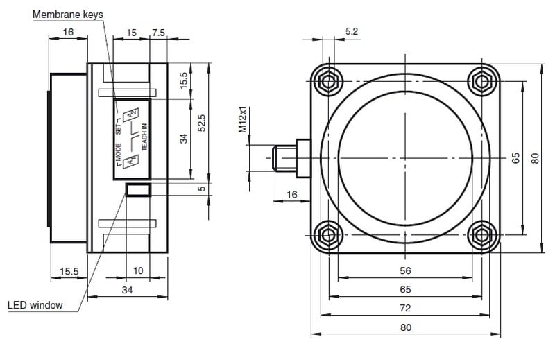
Wymiary/ Średnica
Podłączenie elektryczne
Stopień ochrony
Gwarancja
12
Producent
PEPPERL+FUCHS
Cechy szczególne
Zasilanie
Funkcja wyjścia
Strefa działania
Obudowa
Opisy produktu
Najważniejsze parametry Ultrasonic sensor UB6000-F42-I-V15
- Wyjście analogowe 4 mA ... 20 mA
- Niezwykle mały obszar bezużyteczny
- TEACH-IN
- Tłumienie zakłóceń (regulowana rozbieżność stożka dźwięku z bliskiej odległości)
- Kompensacja temperatury
- Opcje synchronizacji
- Tryb pracy regulowany
| Opis produktu |
|---|
| System pojedynczej głowicy |
| Ogólne specyfikacje | ||
|---|---|---|
| Zasięg wykrywania | 350 ... 6000 mm | |
| Zakres regulacji | 400 ... 6000 mm | |
| Martwe pasmo | 0 ... 350 mm | |
| Standardowa tarcza celownicza | 100 mm x 100 mm | |
| Częstotliwość przetwornika | około 65 kHz | |
| Opóźnienie odpowiedzi | około 650 ms | |
| Wskaźniki / środki operacyjne | ||
| LED zielony | świeci na zielono: zasilanie włączone | |
| LED żółty | bryła: obiekt w zakresie oceny miganie: funkcja programu |
|
| Czerwona dioda LED | normalna praca: „błąd” funkcja programu: nie wykryto obiektu |
|
| Specyfikacje elektryczne | ||
| Napięcie robocze | 10 ... 30 V DC, tętnienie 10% SS | |
| Prąd zasilania bez obciążenia | ≤ 60 mA | |
| Wejście wyjście | ||
| Synchronizacja | dwukierunkowy poziom 0 -U B ... + 1 V poziom 1: +4 V ... + U B wejście impedancja: > 12 KOhm impuls synchronizacji: ? 100 µs, okres interpolacji synchronizacji: ? 2 ms |
|
| Częstotliwość synchronizacji | ||
| Działanie w trybie wspólnym | max. 7 Hz | |
| Operacja multipleksowania | ≤ 7 / n Hz, n = liczba czujników | |
| Wyjście | ||
| Typ wyjścia | 1 analogowe wyjście 4 ... 20 mA | |
| Ustawienia domyślne | granica oceny A1: 400 mm, granica oceny A2: 6000 mm, szeroki płprzy dźwiękowy | |
| Rozdzielczość | 0,7 mm | |
| Odchylenie krzywej charakterystycznej | ± 1% pełnej skali | |
| Powtórz dokładność | ± 0,1% pełnej skali | |
| Impedancja obciążenia | 0 ... 300 omów | |
| Wpływ temperatury | ± 1% pełnej skali | |
| Zgodność ze standardami i dyrektywami | ||
| Standardowa zgodność | ||
| Standardy | EN IEC 60947-5-2:2020, IEC 60947-5-2:2019, EN 60947-5-7:2003, IEC 60947-5-7:2003 | |
| Aprobaty i certyfikaty | ||
| Aprobata UL | Na liście cULus Źródło zasilania klasy 2 | |
| Zatwierdzenie CCC | Zatwierdzenie / oznakowanie CCC nie jest wymagane dla produktów o napięciu ≤36 V. | |
| Warunki otoczenia | ||
| Temperatura otoczenia | -25 ... 70 ° C (-13 ... 158 ° F) | |
| Temperatura przechowywania | -40 ... 85 ° C (-40 ... 185 ° F) | |
| Specyfikacja mechaniczna | ||
| Rodzaj połączenia | Wtyczka M12 x 1, 5 pinów | |
| Stopień ochrony | IP54 | |
| Materiał | ||
| Obudowa | ABS | |
| Przetwornik | mieszanka żywicy epoksydowej / pustej szyby; pianka poliuretanowa, pokrywa PBT | |
| Masa | 210 g | |
| System | Classcode |
|---|---|
| ECLASS 13.0 | 27272803 |
| ECLASS 12.0 | 27272803 |
| ECLASS 11.0 | 27272803 |
| ECLASS 10.0.1 | 27272803 |
| ECLASS 9.0 | 27272803 |
| ECLASS 8.0 | 27272803 |
| ECLASS 5.1 | 27272803 |
| ETIM 9.0 | EC001849 |
| ETIM 8.0 | EC001849 |
| ETIM 7.0 | EC001849 |
| ETIM 6.0 | EC001849 |
| ETIM 5.0 | EC001849 |
| UNSPSC 12.1 | 41111960 |




























