UC3500-30GM70S-UE2R2-V15 - 238401
Czujnik ultradźwiękowy Pepperl+Fuchs, typ odbiciowy, typ z ruchomą głowicą, średnica M30, sn=200-3500 mm, 0-10V + PNP/NPN NO lub NC, 12-30 VDC, konektor M12, IP65, 2Hz, synchronizacja, wybór szerokości wiązki, kompensacja temperatury
Parametry produktu
Czas dostawy gdy brak na magazynie
1 tydzień gdy dostępny w PF Niemcy
Wersja
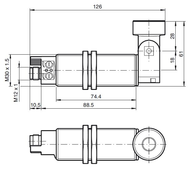
Wymiary/ Średnica
Podłączenie elektryczne
Stopień ochrony
Gwarancja
12
Producent
PEPPERL+FUCHS
Cechy szczególne
Zasilanie
Funkcja wyjścia
Strefa działania
Obudowa
Opisy produktu
Najważniejsze parametry Ultrasonic sensor UC3500-30GM70S-UE2R2-V15
- Wyjście analogowe 0 ... 10 V.
- 1 wyjście przełączające
- Opcje synchronizacji
- Kompensacja temperatury
- Można sparametryzować za pomocą oprogramowania i interfejsu ULTRA-PROG-IR (akcesoria)
| Opis produktu |
|---|
| Ultradźwiękowy Czujnik odbiciowy z obrotowym przetwornikiem |
| Ogólne specyfikacje | ||
|---|---|---|
| Zasięg wykrywania | 200 ... 3500 mm | |
| Zakres regulacji | 300 ... 3500 mm | |
| Martwe pasmo | 0 ... 200 mm | |
| Standardowa tarcza celownicza | 100 mm x 100 mm | |
| Częstotliwość przetwornika | około 120 kHz | |
| Opóźnienie odpowiedzi | ≤ 150 ms | |
| Nominalne oceny | ||
| Dryft temperaturowy | ≤ ± 1,5% pełnej skali | |
| Opóźnienie czasowe przed dostępnością | ≤ 175 ms | |
| Ograniczenie danych | ||
| Dopuszczalna długość kabla | max. 300 m | |
| Wskaźniki / środki operacyjne | ||
| LED żółty | wyjście przełączające stan przełączania | |
| LED zielony / żółty | żółty: obiekt w zakresie oceny zielony: Teach-In |
|
| Potencjometr | switching output adjustable | |
| Specyfikacje elektryczne | ||
| Znamionowe napięcie robocze | 24 V DC | |
| Napięcie robocze | 20 ... 30 V DC (w tym tętnienia) | |
| Sinusoida | ≤ 10% | |
| Prąd zasilania bez obciążenia | ≤ 50 mA | |
| Interfejs | ||
| Typ interfejsu | Podczerwień | |
| Tryb | połączenie punkt-punkt | |
| Wejście wyjście | ||
| Rodzaj wejścia / wyjścia | 1 połączenie synchronizacji, dwukierunkowe (ustawienie fabryczne: tryb synchroniczny) / wejście Teach-In | |
| 0 Level | ≤ 3 V. | |
| Poziom 1 | ? 15 V | |
| Impedancja wejściowa | typ. 900 Ω | |
| Liczba czujników | max. 10. | |
| Przełączanie wyjścia | ||
| Typ wyjścia | 1 przełącznik wyjście PNP, NO (programowalny styk NC) | |
| Ustawienia domyślne | 300 ... 3500 mm (ustawialny za pomocą potencjometru) | |
| Powtórz dokładność | ± 5 mm | |
| Prąd pracy | 300 mA, zabezpieczenie przed zwarciem / przeciążeniem | |
| Częstotliwość przełączania | ≤ 2 Hz | |
| Przełączanie histerezy | 35 mm (programowalny) | |
| Spadek napięcia | ≤ 3 V. | |
| Prąd wyłączenia | ≤ 10 µA | |
| Wyjście analogowe | ||
| Typ wyjścia | 1 napięcie wyjściowe 0 ... 10 V, programowalne rosnąco / malejąco | |
| Ustawienia domyślne | rosnąca rampa; granica oceny A1: 300 mm; granica oceny A2: 3500 mm | |
| Rezystor obciążenia | ? 2 kΩ | |
| Zgodność ze standardami i dyrektywami | ||
| Standardowa zgodność | ||
| Standardy | EN IEC 60947-5-2:2020, IEC 60947-5-2:2019, EN 60947-5-7:2003, IEC 60947-5-7:2003 | |
| Aprobaty i certyfikaty | ||
| Aprobata UL | Na liście cULus Źródło zasilania klasy 2 | |
| Zatwierdzenie CCC | Zatwierdzenie / oznakowanie CCC nie jest wymagane dla produktów o napięciu ≤36 V. | |
| Warunki otoczenia | ||
| Temperatura otoczenia | -25 ... 70 ° C (-13 ... 158 ° F) | |
| Temperatura przechowywania | -40 ... 85 ° C (-40 ... 185 ° F) | |
| Odporność na wstrząsy | 30 g, okres 11 ms | |
| Odporność na wibrację | 10 ... 55 Hz, Amplituda ± 1 mm | |
| Specyfikacja mechaniczna | ||
| Rodzaj połączenia | Wtyczka M12 x 1, 5 pinów | |
| Średnica obudowy | 30 mm | |
| Stopień ochrony | IP65 | |
| Materiał | ||
| Obudowa | mosiądz, niklowany | |
| Przetwornik | mieszanka żywicy epoksydowej / pustej szyby; pianka poliuretanowa | |
| Pozycja montażowa | dowolna pozycja | |
| Masa | 170 g | |
| Rodzaj konstrukcji | Cylindryczny | |
| System | Classcode |
|---|---|
| ECLASS 13.0 | 27272803 |
| ECLASS 12.0 | 27272803 |
| ECLASS 11.0 | 27272803 |
| ECLASS 10.0.1 | 27272803 |
| ECLASS 9.0 | 27272803 |
| ECLASS 8.0 | 27272803 |
| ECLASS 5.1 | 27272803 |
| ETIM 9.0 | EC001849 |
| ETIM 8.0 | EC001849 |
| ETIM 7.0 | EC001849 |
| ETIM 6.0 | EC001849 |
| ETIM 5.0 | EC001849 |
| UNSPSC 12.1 | 41111960 |





























