UB500-F54-E4-V15 - 108159
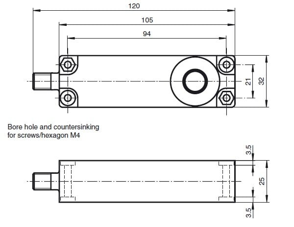
Czujnik ultradźwiękowy Pepperl+Fuchs, typ odbiciowy, kostka 105x32x25 mm, sn=30-500 mm, NPN/ NO lub NC, zasilanie 10-30 VDC, konektor M12, odpowiedź = 10Hz, IP65, synchronizacja
Parametry produktu
Czas dostawy gdy brak na magazynie
1 tydzień gdy dostępny w PF Niemcy
Wersja
Wymiary/ Średnica
Podłączenie elektryczne
Stopień ochrony
Gwarancja
12
Producent
PEPPERL+FUCHS
Cechy szczególne
Zasilanie
Funkcja wyjścia
Strefa działania
Obudowa
Opisy produktu
Najważniejsze parametry Ultrasonic sensor UB500-F54-E4-V15
- Switching output
- Można ustawić 5 różnych funkcji wyjściowych
- Program wejściowy
- Opcje synchronizacji
- Opcja dezaktywacji
- Kompensacja temperatury
| Opis produktu |
|---|
| System pojedynczej głowicy |
| Ogólne specyfikacje | ||
|---|---|---|
| Zasięg wykrywania | 30 ... 500 mm | |
| Zakres regulacji | 50 ... 500 mm | |
| Martwe pasmo | 0 ... 30 mm | |
| Standardowa tarcza celownicza | 100 mm x 100 mm | |
| Częstotliwość przetwornika | około 380 kHz | |
| Opóźnienie odpowiedzi | ≤ 50 ms | |
| Wskaźniki / środki operacyjne | ||
| LED zielony | świeci na zielono: system monitorowania miga na zielono: funkcja programu |
|
| LED żółty | sygnalizacja stanu przełączenia miganie: wykryto obiekt funkcji programu |
|
| Czerwona dioda LED | miga: tryb normalny: błąd Funkcja programu: nie wykryto obiektu na stałe: Tryb programu, obiekt niepewny |
|
| Specyfikacje elektryczne | ||
| Napięcie robocze | 10 ... 30 V DC, tętnienie 10% SS | |
| Prąd zasilania bez obciążenia | ≤ 55 mA | |
| Wejście wyjście | ||
| Synchronizacja | 1 wejście synchroniczne poziom 0: U B ... + 1 V poziom 1: +4 V ... + U B wejście impedancja: > 12 KOhm impuls synchronizacji: 0,1 ... 8 ms |
|
| Częstotliwość synchronizacji | ||
| Działanie w trybie wspólnym | max. 100 Hz | |
| Operacja multipleksowania | ≤ 100 / n Hz, n = liczba czujników | |
| Wejście | ||
| Rodzaj wejścia | 1 wejście programowe, punkt przełączania A1: -U B ... +1 V, punkt przełączania A2: +4 V ... + U B impedancja wejściowa: > 4,7 kΩ, impuls programu: ? 1 s |
|
| Wyjście | ||
| Typ wyjścia | 1 przełącznik wyjście E4, NPN, NO / NC | |
| Znamionowy prąd roboczy | 200 mA, zabezpieczenie przed zwarciem / przeciążeniem | |
| Spadek napięcia | ≤ 3 V. | |
| Powtórz dokładność | ≤ 1% pełnej skali | |
| Częstotliwość przełączania | max. 10 Hz | |
| Histereza zakresu | ≤ 1% ustawionej odległości roboczej | |
| Wpływ temperatury | ± 1,5% pełnej skali | |
| Zgodność ze standardami i dyrektywami | ||
| Standardowa zgodność | ||
| Standardy | EN IEC 60947-5-2:2020, IEC 60947-5-2:2019 | |
| Aprobaty i certyfikaty | ||
| Aprobata UL | Na liście cULus Źródło zasilania klasy 2 | |
| Zatwierdzenie CCC | Zatwierdzenie / oznakowanie CCC nie jest wymagane dla produktów o napięciu ≤36 V. | |
| Warunki otoczenia | ||
| Temperatura otoczenia | -25 ... 70 ° C (-13 ... 158 ° F) | |
| Temperatura przechowywania | -40 ... 85 ° C (-40 ... 185 ° F) | |
| Specyfikacja mechaniczna | ||
| Rodzaj połączenia | Wtyczka M12 x 1, 5 pinów | |
| Stopień ochrony | IP65 | |
| Materiał | ||
| Obudowa | ABS | |
| Przetwornik | mieszanka żywicy epoksydowej / pustej szyby; pianka poliuretanowa | |
| Masa | 100 gramów | |
| System | Classcode |
|---|---|
| ECLASS 13.0 | 27272803 |
| ECLASS 12.0 | 27272803 |
| ECLASS 11.0 | 27272803 |
| ECLASS 10.0.1 | 27272803 |
| ECLASS 9.0 | 27272803 |
| ECLASS 8.0 | 27272803 |
| ECLASS 5.1 | 27272803 |
| ETIM 9.0 | EC001849 |
| ETIM 8.0 | EC001849 |
| ETIM 7.0 | EC001849 |
| ETIM 6.0 | EC001849 |
| ETIM 5.0 | EC001849 |
| UNSPSC 12.1 | 41111960 |





























