I08H025
Czujnik indukcyjny firmy Wenglor, zakres = 4 mm, czoło pseudo-zabudowany, polaryzacja/ funkcja - programowalna, IO-Link, zasilanie 10...30 V DC, konektor M12-4 pin, IP67, materiał obudowy - mosiądz niklowany
Parametry produktu
Czas dostawy gdy brak na magazynie
3-4 tygodnie
Gwarancja
24
Producent
Wenglor
Opisy produktu
- Łatwa konfiguracja czujnika za pomocą interfejsu IO-Link
- Innowacyjna technologia obwodów ASIC
- Zintegrowany wyświetlacz błędów i sygnał na wyjściu błędu
- Minimalny odstęp montażowy dzięki Wenglor weproTec
Czujniki indukcyjne zostały wyposażone nie tylko w układ ASIC, ale także w interfejs IO-Link, umożliwiający idealną integrację z sieciami. Czujniki indukcyjne zostały wyposażone nie tylko w układ ASIC, ale także w interfejs IO-Link, umożliwiający idealną integrację z sieciami. Zmniejsza to liczbę wariantów, jednocześnie rozszerzając zakres funkcji.
| Parametry indukcji | ||
|---|---|---|
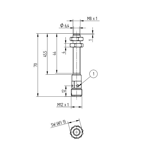
| Odległość przełączania | 4 mm | |
| Standard Target | 12 × 12 mm | |
| Współczynnik korekty FAKTOR stal nierdzewna V2A/mosiądz/Al | 1,07/0,50/0,48 | |
| Montaż | pseudo-niezabudowany | |
| Odległości montażowe A/B/C/D w mm | 8/17/12/3 | |
| Montaż B1 w mm | 0...6 | |
| Histereza przełączania | < 10 % | |
| Dane elektryczne | ||
| Zasilanie | 10...30 V DC | |
| Zasilanie IO-Link | 18...30 V DC | |
| Konsumpcja (Ub = 24 V) | < 12 mA | |
| Częstotliwość przełączania | 760 Hz | |
| Dryft temperaturowy | < 10 % | |
| Zakres temperatury | -40...80 °C | |
| Spadek napięcia na wyjściu | < 1 V | |
| Wyjście przełączające / prąd przełączający | 150 mA | |
| Prąd różnicowy | < 100 µA | |
| Zabezpieczenie przed zwarciem | tak | |
| Zabezpieczenie przed odwrotną polaryzacją i przeciążeniem | tak | |
| Interfejs | IO-Link V1.1 | |
| Klasa ochrony | III | |
| Dane mechaniczne | ||
| Materiał obudowy | mosiądz niklowany | |
| Stopień ochrony IP | IP67 | |
| Podłączenie | konektor M12-4 pin | |
| Dane istotne dla bezpieczeństwa | ||
| MTTFd (EN ISO 13849-1) | 3706,54 a | |
| Funkcja | ||
| Wskaźnik błędu | tak | |
| Programowalna odległość przełączania | 2,5/3/4 mm | |
| Programowalna częstotliwość przełączania | tak | |
| Wyjście | ||
| IO-Link | tak | |
| Przełączanie NC/NO | tak | |
| Ustawialne PNP/NPN/Push-Pull | tak | |
| Programowalne wyjście błędu | tak | |





























