IJ008BE42VB8
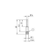
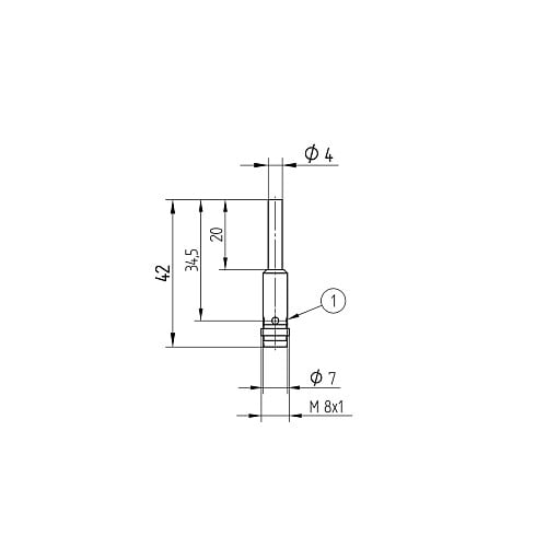
Czujnik indukcyjny firmy Wenglor, zakres = 0,8 mm, czoło zabudowany, polaryzacja PNP/NO, zasilanie 10...30 V DC, konektor M8-3 pin, IP67, 5 kHz, materiał obudowy - stal nierdzewna
Parametry produktu
Producent
Wenglor
Gwarancja
24
Czas dostawy gdy brak na magazynie
3-4 tygodnie
Opisy produktu
| Parametry indukcji | ||
|---|---|---|
| Odległość przełączania | 0,8 mm | |
| Współczynnik korekty FAKTOR stal nierdzewna V2A/mosiądz/Al | 0,68/0,45/0,36 | |
| Montaż | zabudowany | |
| Odległości montażowe A/B/C/D w mm | 0/4/2,4/0 | |
| Histereza przełączania | < 15 % | |
| Dane elektryczne | ||
| Zasilanie | 10...30 V DC | |
| Konsumpcja (Ub = 24 V) | < 10 mA | |
| Częstotliwość przełączania | 5 kHz | |
| Dryft temperaturowy | < 10 % | |
| Zakres temperatury | -25...80 °C | |
| Spadek napięcia na wyjściu | < 1 V | |
| Wyjście przełączające / prąd przełączający | 100 mA | |
| Prąd różnicowy | < 100 µA | |
| Zabezpieczenie przed zwarciem | tak | |
| Zabezpieczenie przed odwrotną polaryzacją i przeciążeniem | tak | |
| Klasa ochrony | III | |
| Dane mechaniczne | ||
| Materiał obudowy | stal nierdzewna | |
| Full Encapsulation | tak | |
| Stopień ochrony IP | IP67 | |
| Podłączenie | konektor M8-3 pin | |
| Wyjście | ||
| PNP NO | tak | |
Pliki do pobrania
Zamienniki
IPSD4-S08PO26-3U8
Czujnik indukcyjny XECRO, średnica fi 4 mm, sn=0,8 mm, czoło zabudowane, PNP/NO, zasilanie 10-30 VDC, kabel 300 mm z gniazdem M8, 2000Hz, L=25 mm
- Kod produktu: IPSD4-S08PO26-3U8
- Producent: XECRO
- Kategoria: Czujniki indukcyjne cylindryczne
131,64 zł
161,92 zł z podatkiem VAT
Produkt na zamówienie
Wysyłka w ciągu: 2 tygodnie

IPSD4-S08PO26-3U8
Czujnik indukcyjny XECRO, średnica fi 4 mm, sn=0,8 mm, czoło zabudowane, PNP/NO, zasilanie 10-30 VDC, kabel 300 mm z...
131,64 zł
netto





























