IW080BM50VB3
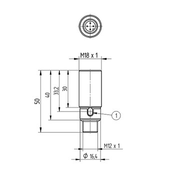
Czujnik indukcyjny firmy Wenglor, zakres = 8 mm, czoło zabudowany, polaryzacja PNP/NO, zasilanie 10...30 V DC, konektor M12-4 pin, IP67, 200 Hz, materiał obudowy - mosiądz niklowany
Wysyłka w ciągu 5-7 dni
Jeżeli termin realizacji nie spełnia Państwa oczekiwań prosimy o kontakt, postaramy się go skrócić.
Skontaktuj się z nami.
Parametry produktu
Czas dostawy gdy brak na magazynie
3-4 tygodnie
Gwarancja
24
Producent
Wenglor
Opisy produktu
| Parametry indukcji | ||
|---|---|---|
| Odległość przełączania | 8 mm | |
| Współczynnik korekty FAKTOR stal nierdzewna V2A/mosiądz/Al | 0,75/0,48/0,44 | |
| Montaż | zabudowany | |
| Odległości montażowe A/B/C/D w mm | 0/18/24/0 | |
| Histereza przełączania | < 15 % | |
| Dane elektryczne | ||
| Zasilanie | 10...30 V DC | |
| Konsumpcja (Ub = 24 V) | < 6 mA | |
| Częstotliwość przełączania | 200 Hz | |
| Dryft temperaturowy | < 10 % | |
| Zakres temperatury | -25...80 °C | |
| Spadek napięcia na wyjściu | < 2,5 V | |
| Wyjście przełączające / prąd przełączający | 200 mA | |
| Prąd różnicowy | < 100 µA | |
| Zabezpieczenie przed zwarciem | tak | |
| Zabezpieczenie przed odwrotną polaryzacją i przeciążeniem | tak | |
| Klasa ochrony | III | |
| Dane mechaniczne | ||
| Materiał obudowy | mosiądz niklowany | |
| Full Encapsulation | tak | |
| Stopień ochrony IP | IP67 | |
| Podłączenie | konektor M12-4 pin | |
| Dane istotne dla bezpieczeństwa | ||
| MTTFd (EN ISO 13849-1) | 3884,82 a | |
| Wyjście | ||
| PNP NO | tak | |
Pliki do pobrania
Zamienniki
IPS18-S8PO48-A12
Czujnik indukcyjny XECRO, średnica M18, sn=8 mm, czoło zabudowane, PNP/NO, zasilanie 10-30 VDC, konektor M12, 500Hz, L=48 mm
- Kod produktu: IPS18-S8PO48-A12
- Producent: XECRO
- Kategoria: Czujniki indukcyjne cylindryczne
Czujnik indukcyjny, producentem jest firma XECRO, średnica obudowy cylindrycznej M18, strefa nominalnego zasięgu równa się 8 mm, czoło zabudowane, polaryzacja PNP / funkcja wyjścia NO, wymagany...
86,83 zł
106,80 zł z podatkiem VAT
Na magazynie (5 szt.)
Wysyłka w ciągu 24-48h

IPS18-S8PO48-A12
Czujnik indukcyjny XECRO, średnica M18, sn=8 mm, czoło zabudowane, PNP/NO, zasilanie 10-30 VDC, konektor M12, 500Hz, L=48 mm
86,83 zł
netto





























